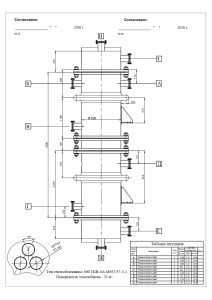
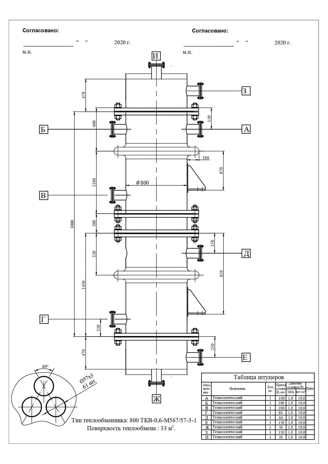
Технические характеристики:
- тип 800 ТКВ-0,6-М567/57-3-1
- теплообменник кожухотрубный с неподвижными трубными решетками вертикальный, состоит из двух частей, внутренняя часть колпаков покрыта свинцом
- диаметр кожуха, мм 800
- условное давление в кожухе, МПа 0,6
- исполнение по материалу, М567 ЭП567 (Хастеллой ХН65МВ)
- с теплообменными трубами диаметром, мм 57 х 3 количество 61 штука
- одноходовой по трубному пространству
- поверхность теплообмена, м.кв. 33
- температура расчетная, С 200
- вес, кг 3 306
- год выпуска 1989
- завод изготовитель АО Сумское машиностроительное НПО им. М.В. Фрунзе Украина
Техническая документация отсутствует
Ранее эксплуатировался.
Теплообменник тип 800 ТКВ-0,6-М567
Теплообменник тип 800 ТКВ-0,6-М567
Рубрики
Состояние: ранее эксплуатировался
Описание

































